[Large Diffusion Pumps] VHS-400 확산 펌프
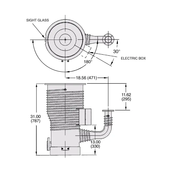
VHS-400 확산 펌프는 최대 4500L/s의 펌핑 속도를 가지고 있습니다. 모든 VHS 시리즈 펌프에는 펌프 유체의 지속적인 모니터링과 간편한 유지보수를 위해 투시창/주입 및 배출 어셈블리가 있습니다. 특허 받은 Bulge Contour가 가스 포집량을 늘리고 낮은 압력을 유지합니다. 지느러미 형태의 보일러로 표면적을 증가시켜 펌프 유체의 수명을 연장합니다. 이 Vapor Jet 펌프는 고진공 응용 분야에 훌륭합니다. 이 펌프는 건축 유리 및 자동차 산업을 위한 진공로, 열처리, 금속 증착 및 코팅 공정과 같은 산업 응용 분야에 적합합니다.
● 특허 받은 Bulge Contour가 가스 포집량 증대 ● 유체 레벨 투시창을 통해 항상 펌프 유체 상태를 빠르게 확인 가능 ● 주입 및 배출 어셈블리를 통해 간편하게 펌프 유체 유지보수 ● 4단 분사 제트로 펌핑 유체 정제 ● 높은 포어 압력 허용치 ● 모든 열 과부하로부터 완전한 열 보호 제공 ● 지느러미 형태의 보일러로 표면적을 증가시켜 펌핑유의 수명을 연장 ● 빠른 냉각 코일이 표준 사양 ● 포어라인 배플을 이용하여 유체가 backing 시스템으로 유실되는 것을 방지 ● 스테인리스 강 바디
| # | 제목 | 내용 |
|---|---|---|
| 1 | Water Connections | 1/8인치 FPT |
| 2 | 권장 backing 펌프 | ≥30cfm(51m3/hr) |
| 3 | 냉각 시간 | 25 min |
| 4 | 수냉 - 온도 요구사항 | 60-80 °F 15-26 °C |
| 5 | 수냉 흐름 요구사항 | 0.4gpm 80L/hr |
6 | 역류 유속 | 1 x 10-3 mg/㎠/min |
| 7 | 예열 시간 | 15 min |
| 8 | 유체 유형 | Oil |
| 9 | 유체 적재량 | 1000 CC |
| 10 | 입력 전압 | 208, 240, 380, 480V |
| # | 제목 | 내용 |
|---|---|---|
| 11 | 작동 범위 | 1.4 x 10-3~<5 x 10-9 Torr 1.9 x 10-3~<6.5 x 10-9 mbar |
| 12 | 전기 요구사항 | 3ph 50/60Hz 208/240/380/480V |
| 13 | 최대 처리량 | 6.3T-L/s(8.4mbar-L/s) |
| 14 | 최대 포어 압력 - Full 로드 | 0.55 Torr 0.72 mbar |
| 15 | 최대 포어 압력 - 로딩 없음 | 0.65 Torr 0.85 mbar |
16 | 펌프 무게 | 180 lbs 81 kg |
| 17 | 펌프 전력 | 4400 W |
| 18 | 펌핑 속도 - Air | 4500 L/s |
| 19 | 펌핑 속도 - He/H2 | 5625 L/s |
| 20 | 펌핑 속도 - 공기, AVS 4.1(1963) | 8000 L/s |
PDF #1 파일 : 카탈로그_05_Diffusion_Pumps.pdf (4.3M)
최종수정일 : 2022-01-20 08:30:59
PDF #2 파일 : 사용자 설명서_6999-01-018B Inline VHS SightGlass Cooling Kit Field Replacement Manual[1].pdf (180.0K)
최종수정일 : 2022-01-20 08:30:59
PDF #3 파일 : 사용자 설명서_6999-03-130B Low Profile Water Cooled Baffle Instruction Manual.pdf (277.6K)
최종수정일 : 2022-01-20 08:30:59
PDF #4 파일 : 사용자 설명서_VHS-10 and VHS-400 Diffusion Pumps.pdf (2.1M)
최종수정일 : 2022-01-20 08:30:59
관리자
2022.01.20 08:30
2,846
0
문의글목록 0