[Small Diffusion Pumps] VHS-6 확산 펌프
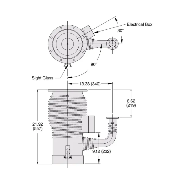
VHS-6 확산 펌프는 최대 1550L/s의 펌핑 속도를 가지고 있으며, ASA 또는 ISO 플랜지, 표준 또는 확장 콜드캡과 함께 다양한 전압으로 주문할 수 있습니다. 모든 VHS 시리즈 펌프에는 펌프 유체의 지속적인 모니터링과 간편한 유지보수를 위해 투시창/주입 및 배출 어셈블리가 있습니다. 특허 받은 Bulge Contour가 가스 포집량을 늘리고 낮은 압력을 유지합니다. 지느러미 형태의 보일러로 표면적을 증가시켜 펌프 유체의 수명을 연장합니다. 이 Vapor Jet 펌프는 광학 렌즈, 전자 장치 및 보호 필름층을 위한 진공로, 열처리, 금속 증착 및 코팅 공정과 같은 고진공 및 산업 응용 분야에 적합합니다.
● 특허 받은 Bulge Contour가 가스 포집량 증대 ● 유체 레벨 투시창을 통해 항상 펌프 유체 상태를 빠르게 확인 가능 ● 주입 및 배출 어셈블리를 통해 간편하게 펌프 유체 유지보수 ● 분사 제트가 펌핑 유체를 정제하여 청결한 작동 환경 제공 ● 높은 포어 압력 허용치 ● 모든 열 과부하로부터 완전한 열 보호 제공 ● 스테인리스 강 펌프 바디 및 제트 ● 지느러미 형태의 보일러로 표면적을 증가시켜 펌핑유의 수명을 연장 ● 포어라인 배플을 이용하여 유체가 backing 시스템으로 유실되는 것을 방지 ● 빠른 냉각 코일이 표준 사양
| # | 제목 | 내용 |
|---|---|---|
| 1 | Water Connections | 1/8인치 FPT |
| 2 | 권장 backing 펌프 | ≥ 17.0cfm(28.9m3/hr) |
| 3 | 냉각 시간 | 10 min |
| 4 | 수냉 - 온도 요구사항 | 60-80 °F 15-26 °C |
| 5 | 수냉 흐름 요구사항 | 0.25gpm 50L/hr |
6 | 역류 유속 | 5 x 10-4 mg/㎠/min |
| 7 | 예열 시간 | 10 min |
| 8 | 유체 유형 | Oil |
| 9 | 유체 적재량 | 500 CC |
| 10 | 입력 전압 | 120, 208, 240V |
| # | 제목 | 내용 |
|---|---|---|
| 11 | 작동 범위 | 1.5 x 10-3~<5 x 10-9 Torr 2 x 10-3~<6.5 x 10-9 mbar |
| 12 | 전기 요구사항 | 1ph 50/60Hz 120/208/240V |
| 13 | 최대 처리량 | 2.4T-L/s(3.2mbar-L/s) |
| 14 | 최대 포어 압력 - Full 로드 | 0.55 Torr0.72 mbar |
| 15 | 최대 포어 압력 - 로딩 없음 | 0.65 Torr0.85 mbar |
16 | 펌프 무게 | 75 lbs34 kg |
| 17 | 펌프 전력 | 2200 W |
| 18 | 펌핑 속도 - Air | 1550 L/s |
| 19 | 펌핑 속도 - He/H2 | 1930 L/s |
| 20 | 펌핑 속도 - 공기, AVS 4.1(1963) | 2400 L/s |
PDF #1 파일 : 카탈로그_05_Diffusion_Pumps.pdf (4.3M)
최종수정일 : 2022-01-20 07:02:20
PDF #2 파일 : 사용자 설명서_6999-01-018B Inline VHS SightGlass Cooling Kit Field Replacement Manual[1].pdf (180.0K)
최종수정일 : 2022-01-20 07:02:20
PDF #3 파일 : 사용자 설명서_6999-03-130B Low Profile Water Cooled Baffle Instruction Manual.pdf (277.6K)
최종수정일 : 2022-01-20 07:02:20
PDF #4 파일 : 사용자 설명서_VHS-4, VHS-6 and VHS-250 Diffusion Pumps.pdf (7.7M)
최종수정일 : 2022-01-20 07:02:20
관리자
2022.01.20 07:02
2,985
0
문의글목록 0