[Small Diffusion Pumps] AX-65 확산 펌프
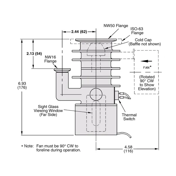
애질런트 AX-65 오일 확산 펌프는 시판 제품 중 가장 작은 확산 펌프이며 유일한 공기 냉각식 펌프입니다. 수직 지느러미 구조의 보일러와 고출력 덕분에 안정적인 펌핑과 높은 헬륨 펌핑 속도를 제공합니다. 이 펌프는 콜드캡 또는 고밀도 배플과 함께 주문할 수 있습니다. 이 펌프에는 유체 레벨을 지속적으로 보여주는 유체 레벨 투시창이 있습니다. 이 펌프는 가스 크로마토그래피 질량 분석(GCMS) 및 원심분리와 같은 계측 응용 분야에 적합합니다.
● 고성능 사양으로 인한 더 높고 깨끗한 진공 레벨 ● 유체 레벨 투시창을 통해 항상 펌프 유체 상태를 빠르게 확인 가능 ● 다양한 펌프 구성 및 플랜지 조합을 통해 펌프 성능이 최적화 되고 사용자의 응용에 적합함 ● 콤팩트한 디자인으로 좁은 공간에도 쉽게 설치 가능 ● 모든 과열 조건에 대비한 완전한 열 보호 가드 ● Pump-ready 열 스위치 옵션이 펌프의 작동 가능 여부 표시 ● 지느러미형 수직 보일러로 안정적인 펌핑 가능(특히 가벼운 가스일 때) ● 3단 제트와 이젝터 스테이지로 펌핑 유체를 정제해 보다 높은 포어 압력 허용치 제공 ● 빠른 예열 및 냉각: 예열 시간 7분 및 냉각 시간 10분 ● 공냉 시스템이 유틸리티 요구 사항 단순화
| # | 제목 | 내용 |
|---|---|---|
| 1 | 권장 backing 펌프 | ≥ 0.15cfm(0.25m3/hr) |
| 2 | 냉각 시간 | 10 min |
| 3 | 역류 유속 | 2 x 10-4 mg/㎠/min |
| 4 | 예열 시간 | 7 min |
| 5 | 유체 유형 | Oil |
6 | 유체 적재량 | 30 CC |
| 7 | 입력 전압 | 90, 115, 165, 220 V |
| 8 | 작동 범위 | 3.9 x 10-3~6.5 x 10-8 mbar 3 x 10-3~<5 x 10-8 Torr |
| 9 | 전기 요구사항 | 1ph 50/60Hz 90/115/165/220 V |
| 10 | 최대 처리량 | 0.19T-L/s(0.25mbar-L/s) |
| # | 제목 | 내용 |
|---|---|---|
| 11 | 최대 포어 압력 - Full 로드 | 0.60 Torr 0.78 mbar |
| 12 | 최대 포어 압력 - 로딩 없음 | 0.75 Torr 1.00 mbar |
| 13 | 펌프 무게 | 8 lbs 3.63 kg |
| 14 | 펌핑 속도 - Air | 65 L/s |
| 15 | 펌핑 속도 - He/H2 | 90 L/s |
16 |
| 17 | ||
| 18 | ||
| 19 | ||
| 20 |
PDF #1 파일 : 카탈로그_05_Diffusion_Pumps.pdf (4.3M)
최종수정일 : 2022-01-19 21:25:10
PDF #2 파일 : 사용자 설명서_AX-65 Diffusion Pump.pdf (1.3M)
최종수정일 : 2022-01-19 21:25:10
관리자
2022.01.19 21:25
2,992
0
문의글목록 0