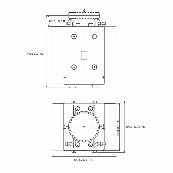
[Large Ion Pumps] VacIon Plus 1000 펌프
VacIon Plus 1000L/s 펌프는 대형 시스템에 뛰어난 속도를 제공합니다. 초고 및 고진공이 매우 중요한 경우에 사용되며, 입자 가속기 및 중력파 간섭계에 적합합니다. 이러한 펌프는 세 가지 유형의 요소로 사용할 수 있습니다. 다이오드 요소는 수소 펌핑 속도를 최대한으로 올리는 것이 매우 중요하고 시스템에 통풍구가 없거나 대기 누출 가능성이 있는 범용 UHV 및 XHV용입니다. StarCell 요소는 다량의 비활성기체(비활성 다이오드보다 뛰어남) 및 수소(다이오드와 비교 가능)를 처리하고, 메탄, 아르곤, 헬륨에 사용하는 경우 최고의 속도와 용량을 제공합니다. 비활성 다이오드 요소는 잔존 비활성기체 펌핑이 필요한 범용 UHV 및 XHV에서 사용합니다.
● StarCell, 다이오드 및 비활성 다이오드 요소로 이용 가능하며, 다양한 기체에 대해 최고의 펌핑 속도 제공 ● ConFlat 12" 고정형 플랜지, 추가 ConFlat 포트, 더블앤드 및 사이드 포트와 함께 사용 가능, 다양한 방향으로 피드스루(Fischer, King, DESY, Varian, Safeconn) 선택 가능 ● 움직이는 부품이 없기 때문에 민감한 응용 분야에서 무진동 작동 가능 ● 낮은 누설 전류로 안정적인 vacuum 압력 판독 ● 낮은 자기장으로 시스템 간섭 최소화 ● >400°C에서의 진공 처리와 진공 상태에서의 핀치 오프를 통해 설치 전 청결과 진공 무결성 보장 ● 고전압 피드스루, 바디 기하학, 추가 포트 및 펌핑 셀 배치를 통해 사용자 맞춤 가능 및 광학 차단 배플(baffles), 외부 히터 및 자기 차폐물을 사용해 요구 충족 가능
| # | 제목 | 내용 |
|---|---|---|
| 1 | 무게(펌프만) | 265 kg 585 lbs |
| 2 | 요소 유형 | Star Cell |
| 3 | 작동 수명 | 80,000시간 |
| 4 | 최대 베이킹 온도 | 350 °C |
| 5 | 최대 시작 압력 | ≤ 5 x 10-2mbar |
6 | 피드스루 스타일 | Fisher |
| 7 | 히터 전압 | 100-120/200-240 V |
| 8 | ||
| 9 | ||
| 10 |
| # | 제목 | 내용 |
|---|---|---|
| 11 | ||
| 12 | ||
| 13 | ||
| 14 | ||
| 15 | 16 | |
| 17 | ||
| 18 | ||
| 19 | ||
| 20 |
PDF #1 파일 : 카탈로그_Agilent_Catalog_Ion_Pumps.pdf (7.2M)
최종수정일 : 2022-01-16 15:28:51
PDF #2 파일 : 사용자 설명서_VacIon_Plus1000_User_Manual.pdf (3.1M)
최종수정일 : 2022-01-16 15:28:51
관리자
2022.01.16 15:28
3,793
0
문의글목록 0